0
Pesquisa
Peças Genuínas
Opções genuínas Kymco
Pesquisa por código de peça
Pesquise por código modelo/palavras-chave
Pesquisa modelo pelo número da peça
Fazer login
Contato
0
Meu carrinho
0
Fazer login
Minha conta
Minha Garagem
O meu perfil
Meus pedidos
Meus carrinhos salvos
Efetuar logout
Meu carrinho
Pesquisa
Peças Genuínas
Opções genuínas Kymco
Pesquisa por código de peça
Pesquise por código modelo/palavras-chave
Pesquisa modelo pelo número da peça
Contato
País
€
EUR
(€)
GBP
(£)
USD
($)
continuar a fazer compras
Efectuar a compra
Selecione o seu país
Trabalhamos em parceria com muitos concessionários oficiais da Kymco em todo o mundo.
Pode selecionar o país da sua escolha na lista abaixo. Seja qual for a sua escolha, podemos entregar-lhe em qualquer parte do mundo!
Belgique (FR)
België (NL)
Deutschland
España
France
Italia
Nederland
Portugal
United Kingdom
Selecione o seu país
Trabalhamos em parceria com muitos concessionários oficiais da Kymco em todo o mundo.
Pode selecionar o país da sua escolha na lista abaixo. Seja qual for a sua escolha, podemos entregar-lhe em qualquer parte do mundo!
Belgique (FR)
België (NL)
Deutschland
España
France
Italia
Nederland
Portugal
United Kingdom
Kymco
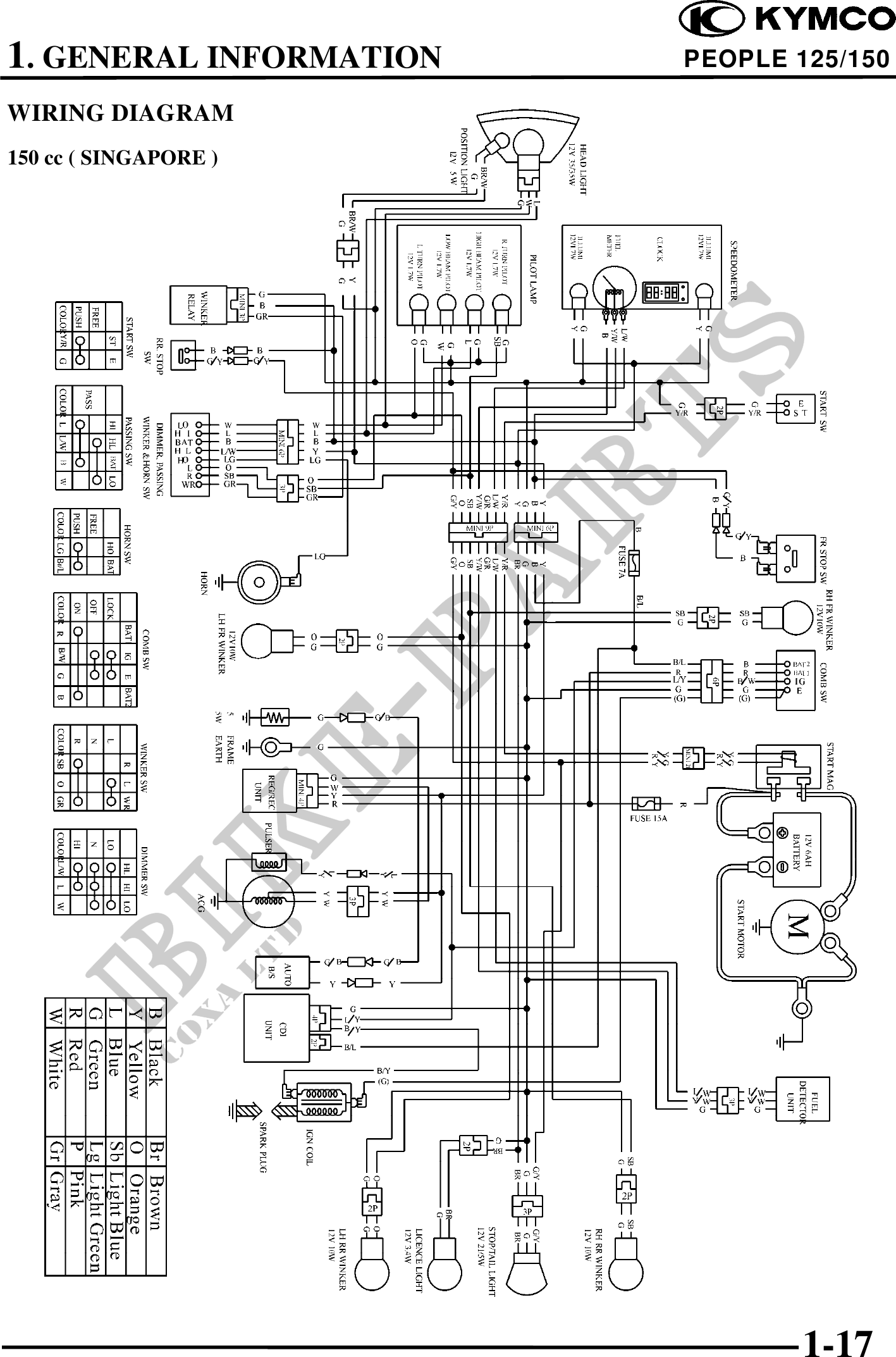
Manual-de-oficina
people 125 Manual-de-oficina
Página 17
people 125 Manual-de-oficina : Página 17
Insira o número da peça Acima
Digite seu número de peça
Página 15
Página 16
Página 18
Página 19
1
5
10
15
20
25
30
35
40
45
50
55
60
65
70
75
80
85
90
95
100
105
110
115
120
125
130
135
140
145
150
155
160
165
170
175
180
185
186
Usamos cookies em nosso site para coletar estatísticas sobre visitas. Ao clicar em Aceito ou continuando neste site, você aceita o uso desses cookies.
Aceito
Confirme?