Portugal

Trabalhamos em parceria com muitos concessionários oficiais da Kymco em todo o mundo.
Pode selecionar o país da sua escolha na lista abaixo. Seja qual for a sua escolha, podemos entregar-lhe em qualquer parte do mundo!

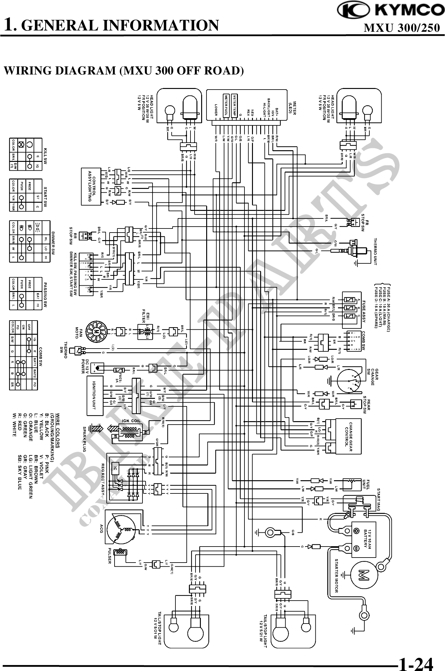
mxu 250 300 2 Manual-de-oficina : Página 27

Microfiches
Insira o número da peça Acima
Image preview

Página 25

Image preview

Página 26

Image preview

Página 28

Image preview

Página 29

1 5 10 15 20 25 30 35 40 45 50 55 60 65 70 75 80 85 90 95 100 105 110 115 120 125 130 135 140 145 150 155 160 165 170 175 180 185 190 195 200 205 210 215 220 225 230 235 240 245 250 255 260 265 270 275 280 285 290 295 300 305 310 315 320 325 330 335 340 345 350 352